Titelbild Mikrocontroller

8.2. Alternative Port Funktionen

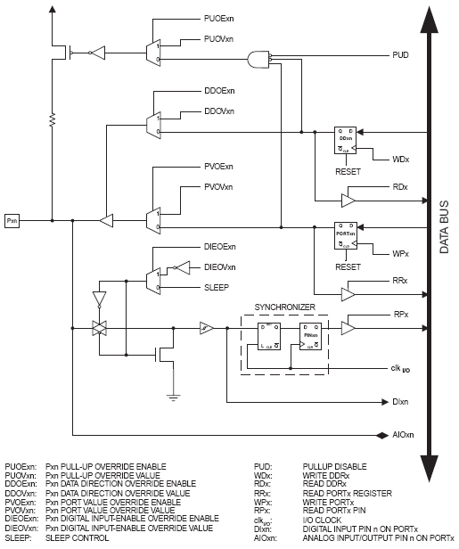
Die meisten Port Pins haben zusätzlich zu ihren digitalen Funktionen noch weitere alternative Funktionen. Die nachfolgende Abbildung zeigt die Kontrollsignale für die Port Pins, die die alternativen Funktionen bedienen. Die die digitalen Funktionen überlagernden Signale sind nicht an allen Port Pins präsent, die Abbildung zeigt daher lediglich die allgemeine Schaltung zur Steuerung der alternativen Funktionen der AVR Controller.
Alternative Portfunktion

Alternative Portfunktion

Hinweis: WPx, WDx, RRx, RPx und RDx sind mit allen Pins eines Ports verbunden, clkI/O, SLEEP und PUD sind mit allen Ports verbunden.

Die nachfolgende Tabelle fasst die Funktionen der übergeordneten Signale zusammen. Sie werden intern durch die Module mit den alternativen Funktionen erzeugt.

Signal Name Bedeutung Beschreibung
PUOE Pull-up Override Enable Wenn dieses Signal gesetzt ist, wird die Freigabe der Pull-up Widerstände durch das PUOV Signal kontrolliert. Wenn dieses Signal gelöscht ist, sind die Pull-up Widerstände freigegeben, wenn DDxn, PORTxn, PUD = 010 sind.
PUOV Pull-up Override Value Wenn PUOE gesetzt ist, werden die Pull-up Widerstände freigegeben/gesperrt, wenn PUOV gesetzt/gelöscht ist, unabhängig vom Zustand der DDxn, PORTxn und PUD Register Bits.
DDOE Data Ditrection Override Enable Wenn dieses Signal gesetzt ist, wird die Freigabe des Ausgangstreibers mit dem DDOV-Signal kontrolliert. Wenn das DDOE Signal gelöscht ist, wird der Ausgangstreiber durch das DDxn Bit freigegeben
DDOV Data Direction Override Value Wenn DDOE gesetzt ist, werden die Ausgangstreiber freigegeben/gesperrt, wenn das DDOV-Signal gesetzt/gelöscht ist, unabhängig vom Zustand der DDxn Register Bits.
PVOE Port Value Override Enable Wenn dieses Signal gesetzt ist und der Ausgangstreiber freigegeben ist, wird der Zustand des Ports durch das PVOV Signal kontrolliert. Ist das PVOE Signal gelöscht und der Ausgangstreiber freigegeben, so wird der Zustand des Ports über die PORTxn Register Bits kontrolliert.
PVOV Port Value Override Value Wenn PVOE gesetzt ist, dann wird der Zustand des Ports durch das PVOV Signal bestiummt, unabhängig von den Einstellungen des PORTxn Register Bits.
DIEOV Digital Input Enable Override Enable Wenn dieses Bit gesetzt ist, wird die Freigabe der digitalen Eingänge durch das DIEOV Signal gesteuert. Wenn das Signal gelöscht ist wird die Freigabe der digitalen Eingänge dadurch bestimmt, ob sich der Controller im normalen Modus befindet oder in einem Sleep Modus.
DIEOV Digital Input Enable Override Value Wenn das DIEOE Signal gesetzt ist, werden die digitalen Eingänge freigegeben/gesperrt wenn das DIEOV Signal gesetzt/gelöscht ist, unabhängig davon, ob sich der Controller im normalen Modus befindet oder in einem Sleep Modus.
DI Digital Input Dies ist der digitale Eingang für die alternativen Funktionen. Die Schaltung zeigt, dass dieses Signal am Ausgang des Schmitt-Triggers aber vor dem Synchronisierer abgegriffen wird. Außer wenn der digitale Eingang als taktquelle verwendet wird, benutzten die alternativen Funktionen einen eigenen Synchronisator.
AIO Analog Input/Output Dies ist der analoge Eingang/Ausgang zu/von den alternativen Funktionen. Das Signal ist direkt mit dem Pin verbunden und kann bidirektional verwendet werden.

Nachfolgend wird ein kurzer Überblick über die alternativen Funktionen der einzelnen Port Pins und den dazugehörigen übergeordneten Signalen gegeben. Eine ausführlichere Beschreibung der alternativen Funktionen geben die einzelnen Kapitel.
Impressum