Titelbild Mikrocontroller

4.2. Quarz Oszillator

Die Pins XTAL1 und XTAL2 sind der Eingang und Ausgang eines invertierenden Verstärkers, der als Oszillator verwendet werden kann. Es können Quarz- oder Keramik- Resonatoren verwendet werden. Mit der CKOPT-Fuse kann zwischen zwei verschiedenen Betriebsarten des Oszillator Verstärkers ausgewählt werden. Wenn die CKOPT-Fuse programmiert ist, dann arbeitet der Oszillator mit einer voll getriebenen Ausgangsschwingung. Dieser Modus ist zu empfehlen, wenn in einer störanfälligen Umgebung gearbeitet wird oder der Ausgang XTAL2 einen weiteren externen Baustein taktet. In diesem Modus ist ein weiter Frequenzbereich möglich.

Wenn die CKOPT-Fuse nicht programmiert ist, dann arbeitet der Oszillator mit einer kleineren Ausgangsschwingung. Dadurch ist auch der Stromverbrauch geringer. Dieser Modus hat einen eingeschränkten Frequenzbereich, außerdem können keine weiteren externen Bausteine getaktet werden.

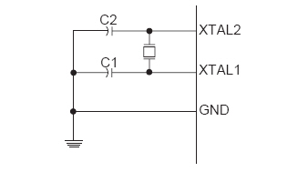
Quarz Oszillator am ATmega8

Quarz Oszillator am ATmega8


Für die Resonatoren gilt als maximale Frequenz 8MHz bei unprogrammierter CKOPT-Fuse und 16MHz bei programmierter CKOPT-Fuse. Die Kondensatoren C1 und C2 sollten immer gleich groß sein, unabhängig davon, welcher Typ von Resonator verwendet wird. Der optimale Wert für die Kondensatoren hängt von dem verwendeten Resonator, den Streukapazitäten und den elektromagnetischen Einflüssen der Umgebung ab. Einige Richtwerte für die Größe der Kondensatoren bei der Verwendung von Quarzen sind in nachfolgender Tabelle angegeben. Bei keramischen Resonatoren können die empfohlenen Kapazitätswerte der jeweiligen Hersteller herangezogen werden.

Der Oszillator kann in drei verschiedenen Modi betrieben werden, die jeweils für bestimmte Frequenzbereiche optimiert sind. Der Arbeitsmodus wird mit den Fuses CKSEL3 bis CKSEL1 eingestellt.

Arbeitsmodi mit Quarzen
CKOPT CKSEL3 .. 1 Frequenzbereich (MHz) Empfohlene Werte für C1 und C2 bei Quarzen
1 101(1) 0,4 – 0,9 -
1 110 0,9 – 3,0 12 pF – 22 pF
1 111 3,0 – 8,0 12 pF – 22 pF
0 101, 110, 111 1,0 ≤ 12 pF – 22 pF
Hinweis: (1): Diese Option sollte nicht bei Quarzen verwendet werden, nur bei keramischen Resonatoren.

Die CKSEL0-Fuse bestimmt zusammen mit den SUT1- und SUT0-Fuses die Start-Up Zeit wie in nachfolgender Tabelle angegeben.
CKSEL0 SUT1 .. 0 Start-up Zeit von Power-down und Power-save Zusätzliche Verzögerung von Reset (VCC=5,0V) Empfohlene Verwendung
0 00 258 CK(1) 4,1 ms Keramik Resonator, schneller Spannungsanstieg
0 01 258 CK(1) 65 ms Keramik Resonator, langsamer Spannungsanstieg
0 10 1k CK(2) - Keramik Resonator, BOD freigegeben
0 11 1k CK(2) 4,1 ms Keramik Resonator, schneller Spannungsanstieg
1 00 1k CK(2) 65 ms Keramik Resonator, langsamer Spannungsanstieg
1 01 16k CK - Quarz Resonator, BOD freigegeben
1 10 16k CK 4,1 ms Quarz Resonator, schneller Spannungsanstieg
1 11 16k CK 65 ms Quarz Resonator, langsamer Spannungsanstieg
Hinweise:
(1) Diese Optionen sollten nur verwendet werden, wenn der Baustein nicht in der Nähe seiner maximalen Frequenz betrieben wird und beim Starten noch keine große Frequenzstabilität für die Applikation erforderlich ist. Diese Option ist auch nicht für Quarz-Resonatoren geeigent.
(2) Diese Optionen sind für die Verwendung von keramischen Resonatoren gedacht und stellen eine hohe Frequenzstabilität beim Starten sicher. Sie können auch mit Quarzen verwendet werden, wenn der Baustein nicht in der Nähe seiner maximalen Frequenz betrieben wird und beim Starten noch keine große Frequenzstabilität für die Applikation erforderlich ist.
Impressum