Titelbild Steuerung

Zentrale Uhr

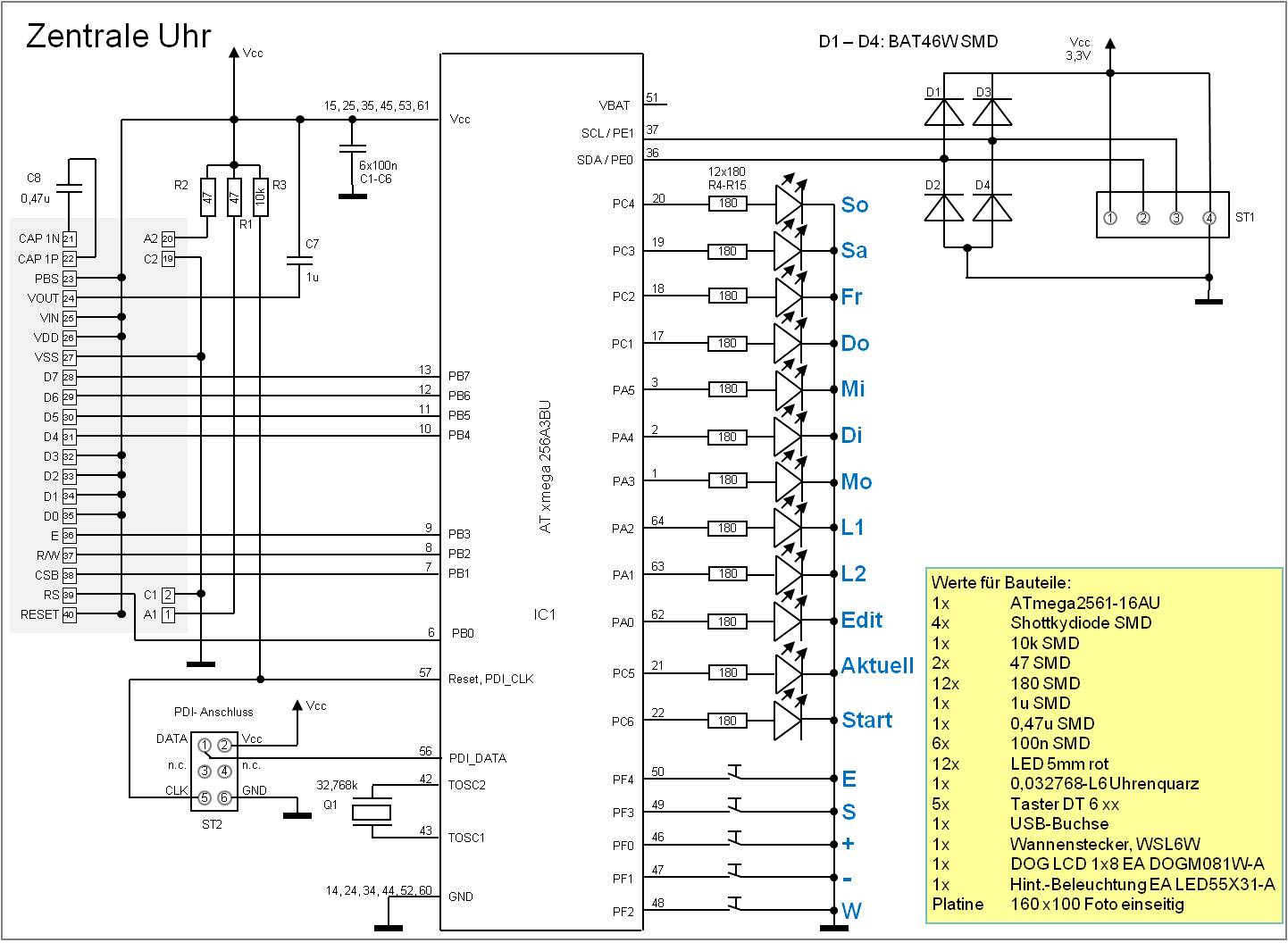
Dieses Modul zeigt auf einer 8-stelligen Anzeige die aktuelle Systemzeit an (Std:Min:Sek). Der aktuelle Tag wird durch eine entsprechende LED signalisiert. Die Startzeit, also die Zeit, mit der die Uhr nach dem Einschalten der Betriebsspannung beginnt, und der Zeitrafferwert können ebenfalls angezeigt werden.

Zentrale Uhr

Zentrale Uhr


Der Zeitrafferwert beeinflusst die Geschwindigkeit, mit der die Modellbahnuhr läuft. Werte zwischen 1 und 60 sind möglich. Der Zeitrafferwert gibt an, wie viele Sekunden die Modellbahnuhr pro echte Sekunde weiterzählen soll. Ist der Wert gleich 1, dann läuft die Modellbahnuhr in Echtzeit. Ist der Wert beispielsweise 5, dann ist eine Minute der Modelluhr bereits nach 12 echten Sekunden um (12 x 5 = 60). Mit dem Wert 60 zählt die Modelluhr pro echte Sekunde um eine Minute weiter, ein Modellbahntag ist dann also nach 24 echten Minuten schon vorüber.

Schaltung Uhr

Schaltung Uhr


Alle Einstellungen werden über fünf Tasten vorgenommen. Änderungen der Einstellungen können durch Auslösen eines Reset gleichzeitig an alle Module gesendet werden, die an den Bus angeschlossen sind.
Impressum